RL100牵引车产品手册

更新时间:2025-05-30

1.安全须知

  1. 了解产品:在使用该产品之前,请仔细阅读产品手册,了解产品的功能、操作方式以及安全注意事项。

  2. 遵循使用要求:确保机器在适宜环境中进行使用,避免过高或过低的温度、潮湿环境等。

  3. 电源安全:操作前确保所有电缆、插头、插座完好无损。遇到异常情况(如短路、过热等)时立即断开电源。

  4. 定期检查:定期进行维护和检查,确保机器的组件如牵引销,缓冲胶块,滑块,电机等正常运行,避免因磨损,老化损坏导致的危险。


使用场景:

序号

场景描述

备注

1

车辆防水

具备小雨使用能力,不具备中大雨运行能力(不能喷淋)

2

道路要求

在平整的硬质路面上运行,如混凝土或沥青路面:
禁止在草地、沙地路面运行
不要在油污地带工作,以免打滑
摩擦力较小的:如室内环氧树脂路面不能有水,在上坡的接口位置适当增加摩擦力

3

易燃易爆

禁止在空气中含有易燃易爆粉尘或气体的场合。
禁止在能引发火灾或爆炸的场所使用,如油区。

4

坡道

严格参考:爬坡特性曲线,来对应坡度和负载关系,以免出现上不去坡现象

5

自动驾驶

1、适应于室内外园区场景
2、适用于中小雨、雾、雪天气
3、室外空旷场景或者特征变化的场景应保持GNSS+RTK信号良好
4、不适合室内经常变换场景
5、4G信号室外强度大于-75dBm,室内信号强度大于-85dBm



2.车辆信息

外观图:

鼠标拖动旋转

2.1.png

整车尺寸:

2.1.png
2.1.png

整车参数表:

序号

参数名称

(单位)

参数

1

车型

/

QYD100-A2LiG2

2

操作方式

/

自动/手动

3

牵引能力

Q(kg)

10000

4

额定牵引力

F(N)

3200

5

最大牵引力

F(N)

11000

6

空载时前后轮负载

kg

480/1240

7

自重

kg

1720

8

车轮类型

/

充气胎/实心胎

9

前轮尺寸

/

16x6-8-10PR / 16x6-8-10

10

后轮尺寸

/

6.00-9-10PR / 6.00-9-10

11

轴距

L1(mm)

1200

12

座椅(地面)高度

H1(mm)

900

13

外形尺寸:长×宽×高(不含驾驶室)

L×W×H(mm)

2125×1070×1330

14

外形尺寸:长×宽×高(含驾驶室)

L×W×H(mm)

2300×1070×2045

15

前轮轮距

mm

910

16

后轮轮距

mm

920

17

牵引座高度

mm

350/450

18

最小离地间隙

b(mm)

110

19

最小转弯半径

R(mm)

1900

20

行驶速度(满载/空载)

km/h

11/16

21

爬坡能力(满载/空载)

5/20

22

驱动方式

/

后轮驱动

23

驱动电机功率

kw

AC 8.2

24

转向电机功率

kw

1.35

25

电池电压/容量

V/Ah

80/280


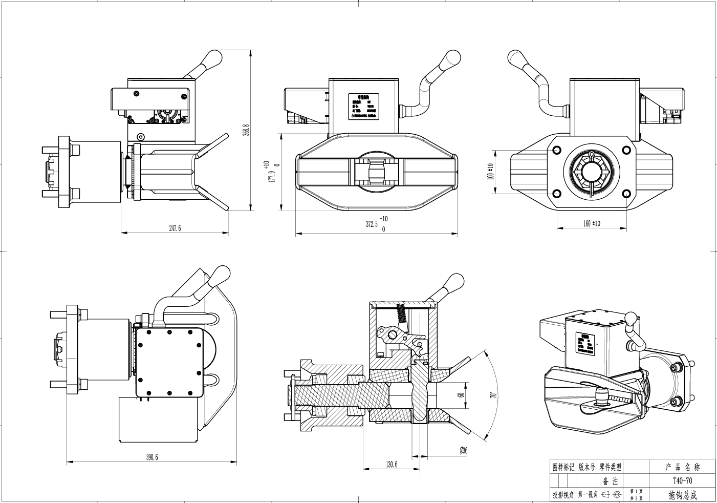
3.自动拖钩

手自一体拖钩T40-70是一款适用于Ø40牵引环的拖钩,牵引拖钩高度350±50mm,配置缓冲胶垫,减少车辆行驶过程由于加减速对车体造成的冲击。

FrontView BackView
技术特点:

手自一体

自动锁销

自动落销

线控脱销

状态反馈


2.1.png

拖钩参数表:

参数

参数值

产品重量

57kg

最大许用牵引力F

11000N

最大牵引负载Q

10000kg

牵引销行程

70mm

手柄开合角度

67°

打开/闭合时间

1s

通信协议

CAN、RS485、RS232

额定工作电压

24V DC

额定功率

25w



3.1原理介绍

2.1.png
2.1.png

3.2元器件组成

主要元器件

3.3成功案例

0 ROCKINGER-Drawbar-Finder

0 Augmented Reality App_RO 244 Towing Hitch

4.定位感知

2.1.png 2.1.png



5.电控部分

CAN通讯协议:

抱歉,您的浏览器不支持加载 PDF 文件。您可以 点击这里 下载文件。

电气原理图:

抱歉,您的浏览器不支持加载 PDF 文件。您可以 点击这里 下载文件。

工控机和IO板的通讯

2.1.png

控制面板操作说明

2.1.png

5.1电柜布局

在电气柜散热设计中,为确保所有发热元器件高效散热,采用强制风冷系统,通过两侧风扇形成横向气流通道。柜体一侧配置进气风扇,吸入外部冷空气, 气流直接流经位于风扇之间的发热元器件,吸收其产生的热量;另一侧配置排气风扇,将热空气迅速排出,形成顺畅的气流循环。此布局确保发热元器件处于气流核心区域,防止热量积聚或局部过热。 ,并配备过滤装置以防止灰尘进入,从而提升散热效率并确保设备长期稳定运行。

2.1.png

电柜布局:

2.1.png /20250618103502437.png

6.整车安全

编制中

7.产品安装说明